| Aus dem Mystk Racer wird ein Schweizer Taschenmesser |
|
|
|
1 .. 12 .. 21 22 23 24 25
|
12.04.26 12:53
hpn174

|
Re: Aus dem Mystk Racer wird ein Schweizer Taschenmesser
Hallo Udo,
das mit dem Schaltplan ist halb so Wild, sagt der Holzwurm!  Solltest Du eine Brauchen könnte ich Dir einen besorgen, der für meine passt vermutlich bei Dir nicht ganz. In den Grundzügen sind Sie aber irgendwo alle gleich. Zumindest bei den jüngeren Modellen ab 86-88-usw.
Gruß Günter
|
|
|
|
|
|
14.04.26 10:39
Zeebulon

|
Re: Aus dem Mystk Racer wird ein Schweizer Taschenmesser
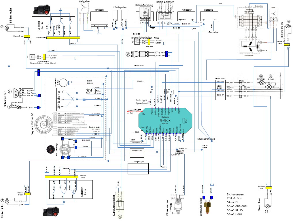
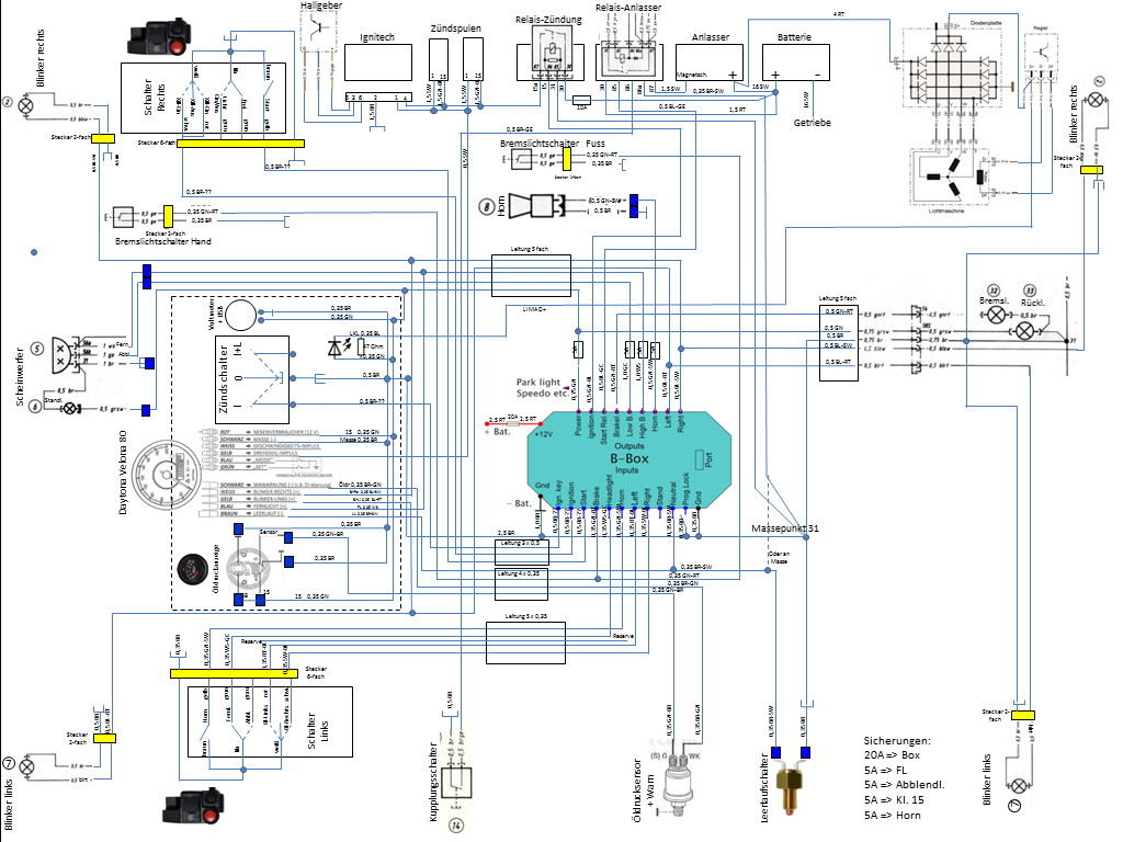
Ein wunderschöner Schaltplan! Womit hast du den erstellt?
------------------------------------------------- Beste Qrüße - Gerd (www.zeebulon.de/bmw)
|
|
|
|
14.04.26 18:30
hpn174

|
Re: Aus dem Mystk Racer wird ein Schweizer Taschenmesser
Schick! Ich dachte dachte Du hast Probleme mit dem Originalen Schaltplan. Aber wie konnte ich das nur Denken ! Du machst Dir das Teil selber.
Gruß Günter
|
|
|
|
14.04.26 22:28
youare

|
Re: Aus dem Mystk Racer wird ein Schweizer Taschenmesser
Den Schaltplan habe ich mit PowerPoint erstellt. Da bin ich auch schon etwas länger dran. Jetzt muss er aber langsam fertig werden, da die mechanischen Arbeiten Stück für Stück abgeschlossen werden.
Bin auch noch auf der Suche nach einer brauchbaren Crimpzange. Ich habe eine älteres Exemplar, aber ich dachte, dass sich für den Kabelbaum eine neue lohnt.
Bei Conrad habe ich eine von Knippex für 110€ gefunden. https://www.conrad.de/de/p/knipex-precif....html?insert=89
Eigentlich wollte ich ca. 50€ dafür ausgeben. Aber wenn sie dann am Ende vernünftig arbeitet .... ist sie das Geld wert. Hat vielleicht jemand einen Tip?
Kabelquerschnitte 0,35 bis 2,5 mm2 wären meine Zielgruppe.
Bei den Steckverbindern habe ich an Superseal gedacht. Sollte man die originalen kaufen oder kann man auch zu den günstigeren Nachbauten greifen? Hat jemand damit Erfahrungen?
Die Originalen: Der Steckerladen: https://www.steckerladen.de/mehrpolige-S...al:::25_27.html Nachbauten: Louis: https://www.louis.de/artikel/craft-meyer...number=10091858
----------------------------------------------------
Schönen Gruß Udo
|
|
|
|
14.04.26 22:54
Zeebulon

|
Re: Aus dem Mystk Racer wird ein Schweizer Taschenmesser
Powerpoint? Da bist du klar besser als ich drin...
------------------------------------------------- Beste Qrüße - Gerd (www.zeebulon.de/bmw)
|
|
|
|
|
|
15.04.26 09:13
hansen

|
Re: Aus dem Mystk Racer wird ein Schweizer Taschenmesser
Moin Udo,
gleiche Crimpzange, nur preisgünstiger: https://www.louis.de/artikel/rothewald-c...nktion/10002880
Das Teil reicht für private Nutzung völig aus, als gewerblicher jeden-Tag-Nutzer würde ich zur Knipex greifen.
Grüße Hansen
____________________________________________________________________________________________ "A spotless bike is the sign of a disturbed mind." (Sjoerd Bakker, advrider.com)
|
|
|
|
15.04.26 10:04
motorradtoskana

|
Re: Aus dem Mystk Racer wird ein Schweizer Taschenmesser
Hallo Hans und Udo, Vielen Dank für eure „Werbung“ für Knipex. Ich kann die Werkzeuge aus meiner Heimatstadt auch nur empfehlen, obwohl sie ihren Preis haben. Bis bald , Wolf ( aus Wuppertal )
hansen: Moin Udo,
gleiche Crimpzange, nur preisgünstiger: https://www.louis.de/artikel/rothewald-c...nktion/10002880
Das Teil reicht für private Nutzung völig aus, als gewerblicher jeden-Tag-Nutzer würde ich zur Knipex greifen.
Grüße Hansen
____________________________________________________________________________________________ "A spotless bike is the sign of a disturbed mind." (Sjoerd Bakker, advrider.com)
Viele Grüße aus dem Wupper-Tal
|
|
|
|
15.04.26 13:08
Phoenix

|
Re: Aus dem Mystk Racer wird ein Schweizer Taschenmesser
Servus Udo
Ich würde eher DTM Stecker nehmen, die Gibts in allen Größen, sind deutlich Kompakter und deutlich besser im Handling, wenn man sich mal verpolt hat
Beste Grüße
vom Phönix
|
|
|
|
|
|
1 .. 12 .. 21 22 23 24 25
|